
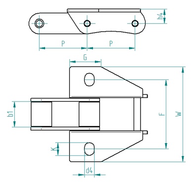
| Kettentyp | Teilung | lichte
Weite |
G | F | W | h4 | d4 | K |
| Chain type | Pitch | Inner width | ||||||
| P [mm] | b1 min. [mm] | [mm] | [mm] | [mm] | [mm] | [mm] | [mm] | |
| CA550K39MF2 | 41,4 | 19,81 | 29,5 | 50,80 | 71,4 | 12,7 | 9,9 | 13 |
| CA557K39MF2 | 41,4 | 20,24 | 29,5 | 50,80 | 71,4 | 12,7 | 9,9 | 13 |
Agricultural chains with attachments